AMP6 ürün parametreleri:    
  Güç: 0,56KW, beygir gücü: 0,75HP, tork: 7,6N.m, serbest hız: 1200RPM, gaz tüketimi: 504L/dak, ağırlık: 5,6-6,9KG (farklı kurulum yöntemleri, farklı ağırlıklar), dört kurulum yöntemi mevcuttur: temel, dikey, yatay, flanşlı, opsiyonel manuel kontrol vanası, fren, dişli redüktör, kumanda. 
     Standart özellikler:    
  Güvenlik ve patlamaya karşı dayanıklılık için güç kaynağı olarak basınçlı hava kullanan ürün, patlamaya dayanıklılık sertifikasına sahiptir ve ulusal güvenlik standartlarını karşılar. Yüksek tork, düşük gaz tüketimi, aşırı yükten dolayı yanmaz, hız kademesiz ayar, kontrol valfi geçişi ile başlatma, ayarlama, durdurma, anında yönü tersine çevirebilir. Motor bir bütün olarak muhafaza altına alınabilecek şekilde tasarlanmış olup tozlu, nemli ve zorlu ortamlarda kullanılabilir. Kimya endüstrisinde, yarı iletkenlerde, kristallerde, petrokimyada, biyokimyasal teknolojide, boya fabrikalarında, otomasyon makinelerinde ve diğer endüstrilerde yaygın olarak kullanılmaktadır. 
     Çalışma ortamı:    
  Akışkan: Basınçlı hava  
  Basınç kullanma: 5Kg/cm     2    (70psi)  
  Maksimum çalışma basıncı: 6Kg/cm     2    (85psi)  
  Ortam sıcaklığı: -10°C~ 70°C (yalnızca donmayan durumda kullanılabilir)  
  Yağlama yağı: IS0VG32 veya benzeri. (Dakikada 2~3 damla yağ buharı ile yağ eklemek gerekir).  
  Sürekli kullanım: Evet (yüksüz olarak sürekli çalışamaz).  
  Önerilen hız: (0,3~1) x maksimum çıkış hızı. 
Ayrıntılı parametreler
| Modeli | Dişli Oranı | Maksimum Çıkış | Durak Torku | Ağırlık(KİLOGRAM) | |||||||||
| Güç | Tork | Nominal Hız | Hava tüketimi | Temel | Dikey | Yatay | |||||||
| HP | KW | Nm | Ibf. ft | R.P.Mmin | L/dak | CFM | Nm | Ibf. ft | KİLOGRAM | KİLOGRAM | KG | ||
| AMP6 | 0.75 | 0.56 | 7.6 | 5.6 | 650 | 504 | 17.8 | 11.5 | 8.5 | 5.6 | 6 | 6.9 | |
| G1/3 | 21.7 | 16 | 216 | 31.5 | 23.2 | " | 12.4 | 12.6 | |||||
| G1/5 | 35.6 | 26.3 | 180 | 49.5 | 36.5 | ||||||||
| G1/10 | 72 | 53.1 | 90 | 100.3 | 74 | ||||||||
| G1/15 | 106.2 | 78.4 | 60 | 155.1 | 114.5 | " | 15 | 15.2 | |||||
| G1/20 | 141.5 | 104.4 | 45 | 206.6 | 152.5 | ||||||||
| G1/30 | 209.5 | 154.6 | 30 | 305.7 | 225.6 | ||||||||
| G1/40 | 276.5 | 204.1 | 22.5 | 412.4 | 304.4 | ||||||||
| G1/50 | 345.3 | 254.8 | 18 | 506.6 | 373.9 | ||||||||
| G1/60 | 414.6 | 306 | 15 | 609.2 | 449.6 | ||||||||
| G1/80 | 542.5 | 400.4 | 11.2 | 805.3 | 594.3 | ||||||||
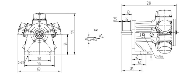
Şematik plan görünümü:
           |                |    
| AMP6-T(Temel tip) | AMP6-F(Dikey) | 
           |                |    
| AMP6-L(Yatay) | AMP6-IEC(Flanş tipi) | 
Ürün döküm diyagramı:
  
 
| HAYIR. | İsim | Miktar | HAYIR. | İsim | Miktar | HAYIR. | İsim | Miktar | 
| 1 | Konut | 1 | 12 | Conta | 5 | 23 | O-halkalar | 1 | 
| 2 | Dağıtım vanası | 1 | 13 | Gövde Contası | 2 | 24 | Motor kapağı | 1 | 
| 3 | Tahrik Uç Yatağı | 1 | 14 | O-halkalar | 2 | 25 | Yuvarlak flanş | 1 | 
| 4 | Mil | 1 | 15 | Makaralı rulman | 1 | 26 | Havalandırma vidası | 1 | 
| 5 | Şalf Mührü | 1 | 16 | Krank mili vidası | 1 | 27 | Kare flanş | 2 | 
| 6 | Delik kartı yayı | 1 | 17 | Silindir gömleği | 5 | 28 | Yatay plaka | 1 | 
| 7 | Tahrik Uç Yatağı | 1 | 18 | O-halkalar | 5 | 29 | Susturucu | 1 | 
| 8 | Segman | 1 | 19 | Silindir kafası | 5 | 30 | Trakeal tıkaç | 1 | 
| 9 | Piston | 5 | 20 | O-halkalar | 5 | 31 | Fiş | 2 | 
| 10 | Biyel kolu | 5 | 21 | Yaylı rondela | 20 | |||
| 11 | Durdurma pimi | 5 | 22 | Soket başlı vida | 20 | 

Modern endüstriyel üretim sistemlerinde, güç birimlerinin performansı doğrudan üretim süreçlerinin verimliliğini ve istikrarını belirler. Çekirdek güç kaynağı olarak sıkıştırılmış hava kullanan bir...
Daha fazlasını görModern endüstride, güç iletim ekipmanı seçimi doğrudan üretim verimliliğini ve operasyonel istikrarı etkiler. Sıkıştırılmış hava ile güçlendirilmiş bir sürücü cihazı olarak Pozitif yer deği...
Daha fazlasını görModern endükriyel üretimin Genşuş AlaniZda, Kaldürma Ekipmanı, Çeşitli üretim Süraçların Sorunsuz ÇuLAYSMAINAZIZIN SESSIZCE DESTEKLEYN VAZGRAMAZIZAIZAKIZ BIR "Sahe Arke Arke Arke Arke Arke Arke Ark...
Daha fazlasını görBağlantıda Kalın